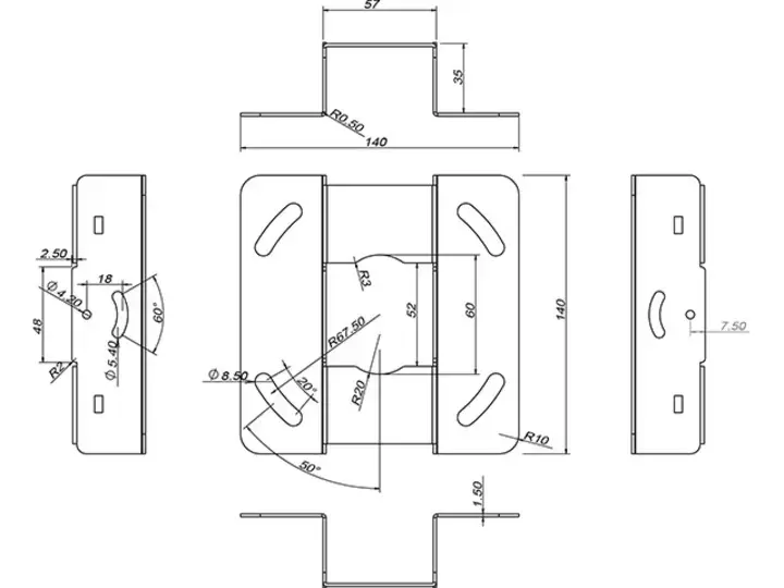
"Multibrackets M" universalus projektoriaus lubinis laikiklis 1600-3000 su tiksliu reguliavimu, lubinis, 10 kg, baltas, rankinis, 1600-3000 mm, 3,3 kg

180,54 €

Aprašymas

Savybės / Specifikacija

Savybės

Savybės

Gamintojas:
Multibrackets
Produkto tipas:
Projektorių laikikliai
Produkto kodas:
KPPMUL0742
Gamintojo kodas(ai):
0742
EAN kodas:
7350073730742
Pavadinimas:
MB PROJEKTORIAUS LUBINIS LAIKIKLIS 1600-3000
Netrumpintas pavadinimas:
"Multibrackets M" universalus projektoriaus lubinis laikiklis 1600-3000 su tiksliu reguliavimu, lubinis, 10 kg, baltas, rankinis, 1600-3000 mm, 3,3 kg
Spalva:
Balta
Maksimali apkrova:
10 kg
Aukščio reguliavimas:
✓ Taip
Aukščio reguliavimo intervalas:
1600 mm – 3000 mm
Teleskopinis:
✓ Taip
Svoris ir matmenys

Svoris ir matmenys

Svoris:
3,3 kg
Kitos savybės

Kitos savybės

Geresnis kabelio valdymas:
✓ Taip
Ergonomija

Ergonomija

Aukščio reguliavimo tipas:
Manual
Konstrukcija

Konstrukcija

Montavimo tipas:
Ceiling
Techniniai duomenys

Techniniai duomenys

Gaminių skaičius ant padėklo (ES):
471